二位五通板接式隔爆电磁阀
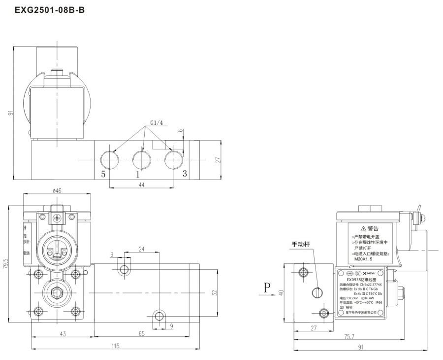
型号:EXG2501-08B-B
类别:隔爆电磁阀
品牌:j9国际站备用网址XINGYU
产地:宁波奉化
技术参数
产品型号 | EXG2501-08B-B | ||
动作方式 | 内部先导式 | ||
阀体材料 | 冷挤压铝合金 | ||
阀体功能 | 带有手动按钮功能 | ||
表面处理 | 阳极氧化(黑色) | ||
密封材料 | NBR | ||
气源连接 | G1/4" | ||
工作介质 | 经过过滤(≤40μm过滤)干燥和润滑的空气或中性气体 | ||
紧固螺钉 | SUS 304 | ||
工作温度 | -20℃~70℃ | ||
工作压力 | 0.15~0.8MPa | ||
工作寿命 | 1000万次以上(正常工作条件) | ||
绝缘等级 | Class H | ||
防护等级 | IP66 | ||
防爆等级 | Ex db IIC T6 Db Ex tb IIIC T80℃ Db | ||
工作方式 | ED100% | ||
介质接触材料 | 铝、丁晴橡胶 | ||
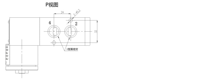
板接式安装标准 | 24*32NAMUR板结式安装 | ||
备注 | 连接螺纹需带有保护套 |
订购码
外形尺寸
公司简介
制造能力
行业应用
合作伙伴
服务网络
下一篇:二位三通板接式隔爆电磁阀