有铁芯直线电机
型号:XBL40050
类别:直线电机模组
品牌:j9国际站备用网址XINGYU
产地:宁波奉化
产品简介
有铁芯直线电机又称平板电机。由于体积大、线圈单元大、内附增磁性材料,使其具有更大的推力能力、散热能力,擅长千重负载、高加减速、高速、长行程的运动,常用于点位精度的运动与一般的轨迹精度应用。j9国际站备用网址有铁芯直线电机基于生产工艺的积累与电磁的优化,使其具有超低顿振的效应,在推力与稳定性中体现了优异的平衡。现有标规产品的持续推力范围∈[120,800]N,峰值范围∈[240,2400]N几乎满足一切工业自动化的运动应用需求。同时,对于特殊客户应用还可以灵活定制直线电机产品。
产品特点
○ 低顿振的有铁芯直线电机
○ 良好的热散性能
○ 大推力、高加减速、重负载、高运行速度
○ 功率范围覆盖面广
○ 可 灵 活 客 制 产 品
应用领域
○ 非标自动化:LCM 光电、锂电池设备等
○ FPC制程
○ 半导体设备
○ 激光应用设备
○ SMT贴片、 PCB钻孔
○ AOl视觉应用
技术参数
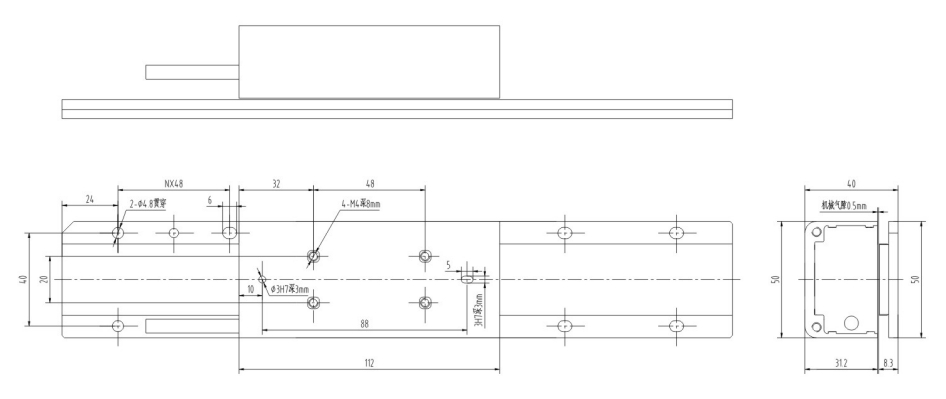
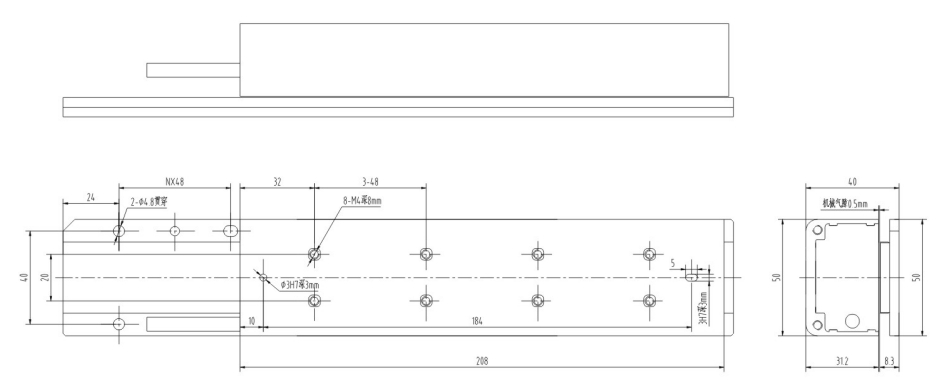
性能参数 | 单位 | XBL40050F112 | XBL40050F208 |
峰值推力 | N | 240 | 480 |
持续推力 | N | 120 | 240 |
峰值电流 | ARMS | 7.0 | 9.0 |
持续电流 | ARMS | 3.5 | 3.5 |
相间电感 | MH | 17.2 | 38.7 |
相间电阻 | Ω | 3.8 | 7.5 |
力常数 | N/ARMS | 42.5 | 83.9 |
反向电动势 | V/M/S | 34.6 | 68.2 |
磁极距 | mm | 24.0 | 24.0 |
最大绕组温度 | ℃ | 120 | 120 |
标配电缆线长 | m | 0.5 | 0.5 |
最大电压 | Vac | 380 | 380 |
磁吸力 | N | 591 | 1182 |
动子质量 | kg | 0.77 | 1.47 |
定子信息 | 定子长度L | 安装孔个数2N | 定子质量kg |
XBL40050M48 | 48 | 2 | 0.13 |
XBL40050M144 | 144 | 6 | 0.38 |
XBL40050M240 | 240 | 10 | 0.65 |
结构尺寸


型号说明

输出力矩

公司简介
制造能力
行业应用
合作伙伴
服务网络
下一篇:有铁芯直线电机