热塑线圈SB567

型号:SB567/HD11463

类别:热塑性电磁线圈

品牌:j9国际站备用网址XINGYU

产地:宁波奉化

技术参数

产品编号SB567
产品型号HD11463
常规电压AC220V AC110V DC24V DC12V
绝缘等级H、N
线圈连接方式插脚式
其他特种电压、特种功率可定做


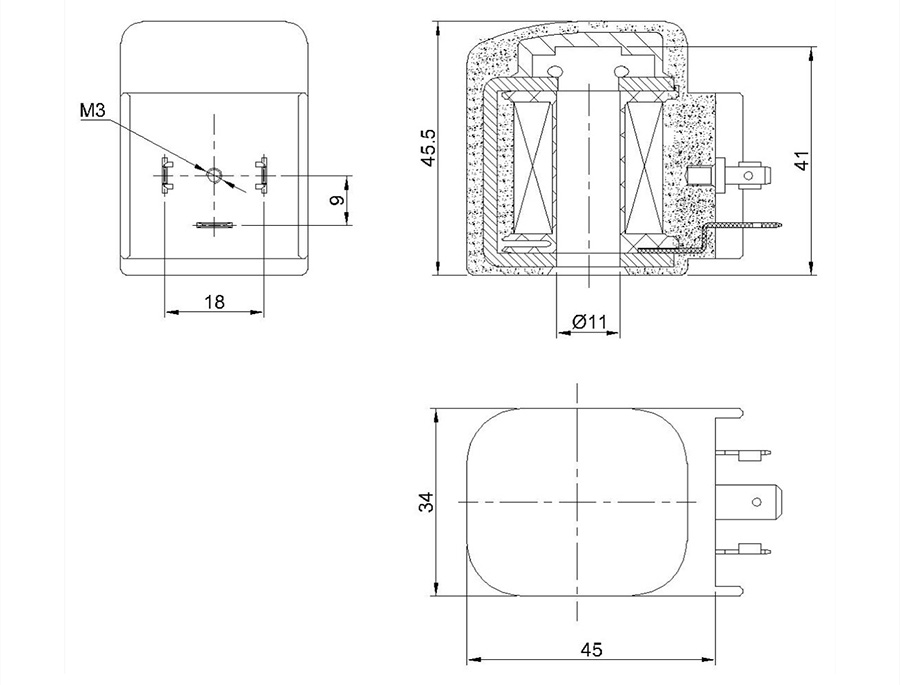
结构尺寸


产品特性


安装说明


产品证书

公司简介

公司简介

制造能力

制造能力

行业应用

应用行业

合作伙伴

合作伙伴

服务网络

服务网络

上一篇:热塑线圈SB553

下一篇:热塑线圈SB578

相关产品