3V1系列二位三通电磁阀
型号:
类别:3V1系列电磁阀
品牌:j9国际站备用网址XINGYU
产地:宁波奉化
技术参数
标准电压 | AC220V | AC110V | DC24V | DC12V |
使用电压范围 | AC:±15% DC:±10% | |||
功率 | 4.5VA | 4.5VA | 3W | 3W |
防护等级 | lP65(DIN40050) | |||
使用压力 | 0.15~0.8MPa | |||
耐热等级 | B级 | |||
接电方式 | DIN插座式、出线式 | |||
最高动作频率 | 10次/秒 |
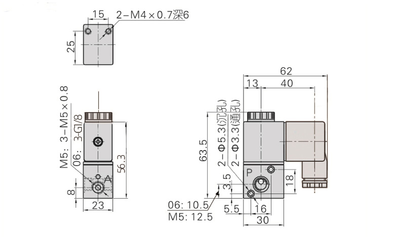
结构尺寸
产品特性
安装说明
公司简介
制造能力
行业应用
合作伙伴
服务网络
下一篇:油墨电磁泵