二位三通气控阀

型号:3A210

类别:二位三通电磁阀

品牌:j9国际站备用网址XINGYU

产地:宁波奉化

技术参数

型号3A210-08
工作介质压缩空气(经40μm以上滤网过滤)
动作方式外部先导式
接管口径进气=出气=G1/4"
位置数二位三通
有效截面积16.0mm?(Cv=0.89)
使用电压DC24V±10%;DC12V±10%
使用压力范围0.15~0.8MPa
保证耐压力1.2MPa
工作温度-5~50℃
本体材质铝合金
润滑不需要
最高动作频率5次/秒

(1)接管螺纹有G螺纹、PT螺纹可选
(2)最高动作频率为空载状态


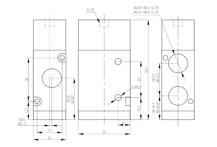
结构尺寸



产品特性



安装说明


公司简介

公司简介

制造能力

制造能力

行业应用

应用行业

合作伙伴

合作伙伴

服务网络

服务网络

相关产品