热固性塑封类2W二位二通电磁阀线圈
型号:SB298/XY20553
类别:热固性电磁线圈
品牌:j9国际站备用网址XINGYU
产地:宁波奉化
技术参数
常规电压 | AC220V AC110V DC24V DC12V | |
常规功率 | AC | 28VA |
DC | 30W 38W | |
其他特种电压、特种功率可定做 | ||
绝缘等级 | H | |
线圈连接方式 | DIN43650A |
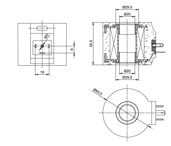
结构尺寸
原料展示
公司简介
制造能力
行业应用
合作伙伴
服务网络
上一篇:热固性塑封类比例电磁阀线圈
下一篇:热固性塑封类制冷阀专用电磁线圈